Figure 1 : simpleCPU_v1dv2 block diagram, spot the differences
################################## # SIMPLECPU V1D2 INSTRUCTION-SET # ################################## INSTR IR15 IR14 IR13 IR12 IR11 IR10 IR09 IR08 IR07 IR06 IR05 IR04 IR03 IR02 IR01 IR00 MOVE 0 0 0 0 RD RD 0 0 K K K K K K K K MOVEH 0 0 0 0 RD RD 0 1 K K K K K K K K MOVEU 0 0 0 0 RD RD 1 0 K K K K K K K K ADD 0 0 0 1 RD RD X X K K K K K K K K SUB 0 0 1 0 RD RD X X K K K K K K K K AND 0 0 1 1 RD RD 0 0 K K K K K K K K OR 0 0 1 1 RD RD 0 1 K K K K K K K K XOR 0 0 1 1 RD RD 1 0 K K K K K K K K LOAD 0 1 0 0 A A A A A A A A A A A A STORE 0 1 0 1 A A A A A A A A A A A A ADDM 0 1 1 0 A A A A A A A A A A A A SUBM 0 1 1 1 A A A A A A A A A A A A JUMPU 1 0 0 0 A A A A A A A A A A A A JUMPZ 1 0 0 1 0 0 0 R R R R R R R R R -- RELATIVE -256 to +255 JUMPNZ 1 0 0 1 0 0 1 R R R R R R R R R JUMPC 1 0 0 1 0 1 0 R R R R R R R R R JUMPNC 1 0 0 1 0 1 1 R R R R R R R R R JUMPN 1 0 0 1 1 0 0 R R R R R R R R R JUMPP 1 0 0 1 1 0 1 R R R R R R R R R CMP 1 0 1 0 RD RD 0 0 K K K K K K K K TEST 1 0 1 0 RD RD 0 1 K K K K K K K K XOP1 1 0 1 1 RD RD X X K K K K K K K K -- NOT IMPLEMENTED XOP2 1 1 0 0 RD RD X X K K K K K K K K -- NOT IMPLEMENTED XOP3 1 1 0 1 RD RD X X K K K K K K K K -- NOT IMPLEMENTED CALL 1 1 1 0 A A A A A A A A A A A A RET 1 1 1 1 X X X X X X X 0 0 0 0 0 MOVE 1 1 1 1 RD RD RS RS X X X 0 0 0 0 1 LOAD 1 1 1 1 RD RD RS RS X X X 0 0 0 1 0 -- REG INDIRECT STORE 1 1 1 1 RD RD RS RS X X X 0 0 0 1 1 -- REG INDIRECT SHL 1 1 1 1 RSD RSD X X X X X 0 0 1 0 0 SHR 1 1 1 1 RSD RSD X X X X X 0 0 1 0 1 ADD 1 1 1 1 RD RD RS RS X X X 0 0 1 1 0 -- NOT IMPLEMENTED SUB 1 1 1 1 RD RD RS RS X X X 0 0 1 1 1 -- NOT IMPLEMENTED AND 1 1 1 1 RD RD RS RS X X X 0 1 0 0 0 -- NOT IMPLEMENTED OR 1 1 1 1 RD RD RS RS X X X 0 1 0 0 1 -- NOT IMPLEMENTED XOR 1 1 1 1 RD RD RS RS X X X 0 1 0 1 0 -- NOT IMPLEMENTED ASL 1 1 1 1 RSD RSD X X X X X 0 1 0 1 1 ASR 1 1 1 1 RSD RSD X X X X X 0 1 1 0 0 XOP4 1 1 1 1 RD RD RS RS X X X 0 1 1 0 1 -- NOT IMPLEMENTED XOP5 1 1 1 1 RD RD RS RS X X X 0 1 1 1 0 -- NOT IMPLEMENTED XOP6 1 1 1 1 RD RD RS RS X X X 0 1 1 1 1 -- NOT IMPLEMENTED XOP7 1 1 1 1 RD RD RS RS X X X 1 0 0 0 0 -- NOT IMPLEMENTED XOP8 1 1 1 1 RD RD RS RS X X X 1 0 0 0 1 -- NOT IMPLEMENTED XOP9 1 1 1 1 RD RD RS RS X X X 1 0 0 1 0 -- NOT IMPLEMENTED
Another year, another processor :). When designing the simpleCPU processor the goal was not to build the fastest processor, the best processor i.e. a replacement for an off the shelf processor that could be purchased for a fraction of the cost, rather it was to build a processor that would be used for teaching. There are a lot of different approaches to teaching computer architectures and i'm sure many of my colleagues would disagree with the way i run the SYS1 module, but for me learning is something you do by doing, something that a student has to actively engage with, rather than passively listen to. Therefore, for me learning is something a student has to experience, simply using a "thing" is not enough, you need to build that "thing" and use it in a real world context to understand why that "thing" looks the way it does, you need to become the "thing" (Link) :). Soooo the simpleCPU processor is a platform from which a student can experience what a processor is, something they can build upon, add features and functionality to, a platform where they can experience what works and what does not, go beyond simply using a processor. Well that is the thought :).
From figure 1 you should spot that there are no top level architectural changes from the simpleCPUv1d to the simpleCPUv1d2. I did consider adding more general purpose data registers, different data paths, but these are "nice to have" improvements, rather than "teaching" improvements. Not to say there isn't significant changes to some of these hardware components, but these changes are driven by changes to the instruction-set i.e. to add more instructions, to add more flexibility to the processor, to make it easier to use, easier to program.
The new and improved ISE project files for this processor can be downloaded here: (Link).
Improvement 1 : immediate addressing mode
Improvement 2 : changes to data MUX and ALU
Improvement 3 : relative addressing mode
Improvement 4 : changes to the PC
Improvement 5 : SHR, SHL, ASL and ASR instructions
Improvement 6 : CMP and TEST instructions
Testing : simulating the new instructions
Figure 2 : basic instruction format
A basic simpleCPU instruction is a 16bit fixed length instruction, with a 4bit opcode and a 12bit operand. To add more flexibility and functionality i could switch to a variable length instruction format e.g. instruction could vary in size, from 8bit to 64bit+ in length, depending on their requirements / operands etc. You can see an example of this type of micro-coded architecture in the simpleCPUv2 (Link). However, this approach significantly increases the complexity of the fetch-phase and control logic, therefore, making it more difficult for students to add new instructions. So i decided to stick with fixed length instructions. The downside of this is that you are limited to 16 basic instructions, which is enough to make a processor i.e. the simpleCPUv1a (Link), but its a little limited. That is, the ideal teaching processor should NOT do everything a student whats i.e. some of those features are for the student to add, but equally it should not cause excessive frustration when programming like the minimalCPU :) (Link). Fortunately, there is space within the existing instructions to add additional bit-fields, to expand the functionality of some of the instructions. Consider the immediate addressing mode instruction format shown in figure 3.
Figure 3 : immediate addressing mode instruction format
# INSTR IR15 IR14 IR13 IR12 IR11 IR10 IR09 IR08 IR07 IR06 IR05 IR04 IR03 IR02 IR01 IR00 # MOVE 0 0 0 0 RD RD U U K K K K K K K K # ADD 0 0 0 1 RD RD U U K K K K K K K K # SUB 0 0 1 0 RD RD U U K K K K K K K K # AND 0 0 1 1 RD RD U U K K K K K K K K
All immediate addressing mode instruction opcodes start with 00, have a 2bit register select field and an 8bit immediate value. They also have two unused bits (UU). Therefore, these bits can be used to augment the functionality of these instructions. Thats is, where possible, without significant changes to the processor's hardware we can use these bits to add new instructions. Note, i'm not looking to just add instructions here, rather expand the functionality of the existing ones, any changes should not break existing instructions, the instruction must use the same addressing mode, or at a push be a variation upon. Looking to show how we can expand the processor's instruction-set, rather than rewrite from scratch.
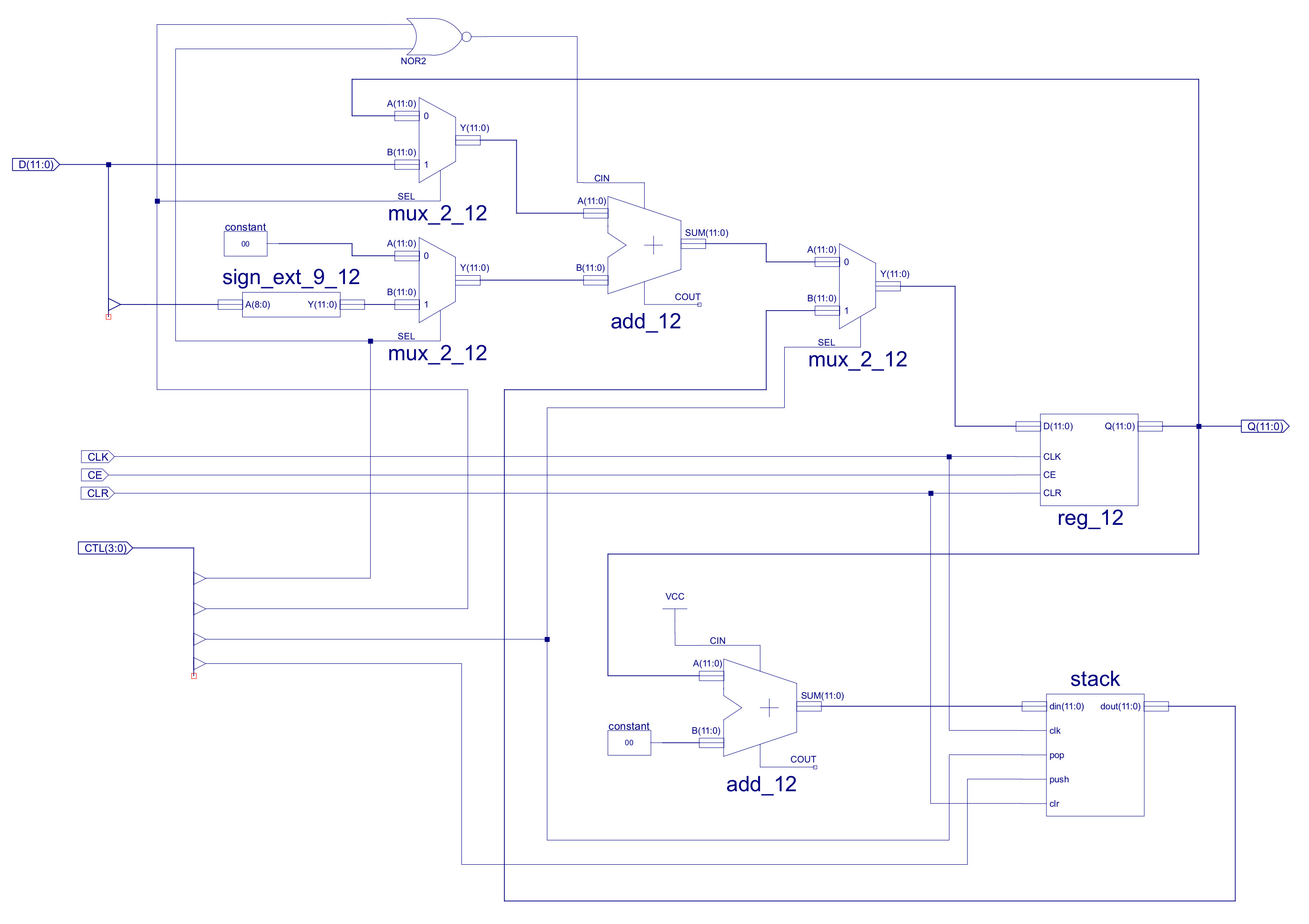
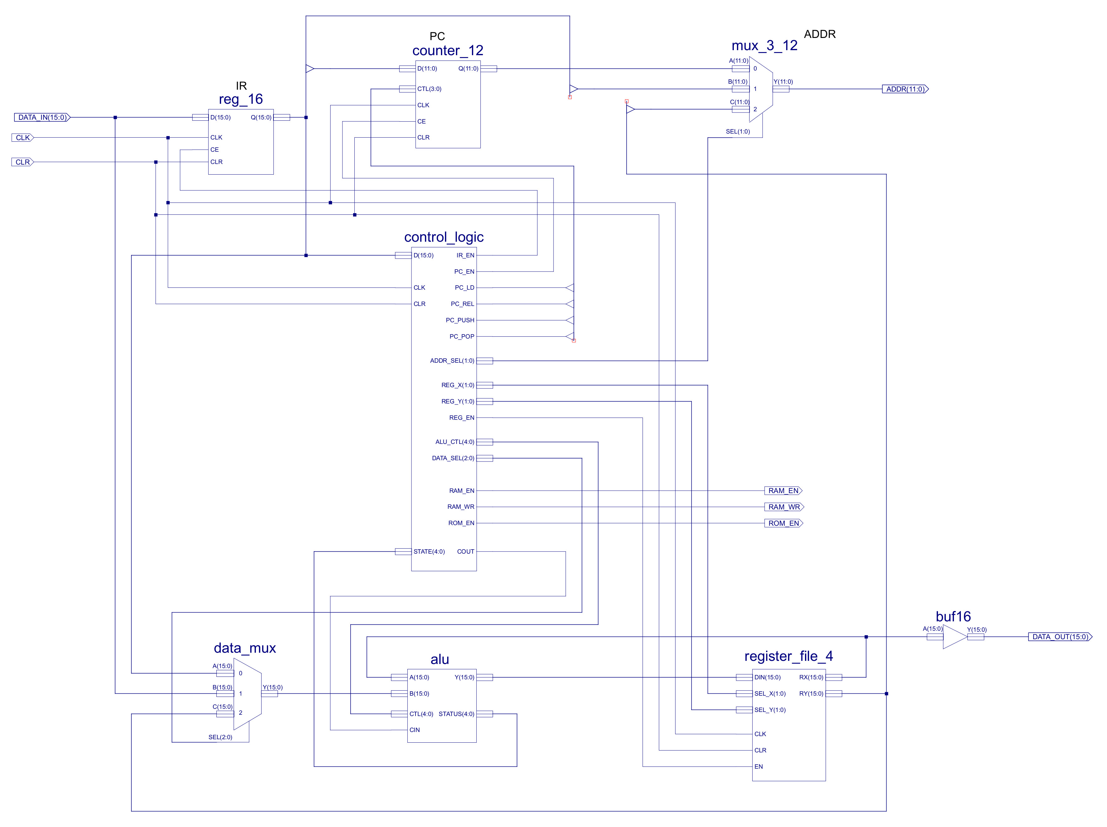
Figure 4 : simpleCPUv1d2 top level schematic
The top level schematic of the simpleCPUv1d2 is shown in figure 4, from this we can identify the possible data paths for the immediate addressing mode. This hardware is fixed, partially to maintain consistency with the previous version, but to also help ensure we meet timing closure i.e. we don't change the critical path delay tooo much. Sooo the first improvement is to add new MOVE instructions:
INSTR IR15 IR14 IR13 IR12 IR11 IR10 IR09 IR08 IR07 IR06 IR05 IR04 IR03 IR02 IR01 IR00 MOVE 0 0 0 0 RD RD 0 0 K K K K K K K K MOVEL 0 0 0 0 RD RD 0 0 K K K K K K K K MOVEH 0 0 0 0 RD RD 0 1 K K K K K K K K MOVEU 0 0 0 0 RD RD 1 0 K K K K K K K K Example : move RA 0xFF, RA = 0xFFFF Addressing mode : immediate Opcode : 0000 00 RTL : RX <- ( (K7)8 || KK ) Flags set : None Description : write 8bit immediate value to low byte position and sign extend high byte Note, movel is the same as the move instruction, just renamed to match moveh naming convention. Example : moveh RA 0xFF, RA = 0xFF00 Addressing mode : immediate Opcode : 0000 01 RTL : RX <- ( KK || 00 ) Flags set : None Description : write 8bit immediate value to high byte position Example : moveu RA 1, RA = 0x00FF Addressing mode : immediate Opcode : 0000 10 RTL : RX <- ( 00 || KK ) Flags set : None Description : write 8bit immediate value to low byte position and zero high byte
MOVE and MOVEL are the same instruction, a signed extended 8bit move, i included the MOVEL (move low byte) alternative name to complement the MOVEH (move high byte) naming convention. MOVEH is a write immediate to high byte position, low byte is zeroed. MOVEU is an unsigned move, write immediate into low byte position, high byte zeroed.
For the next changes i am slightly pushing the limits of the rules i set, but rather than implementing different types of AND instructions going for a Boolean instruction group by adding support for bitwise OR and XOR:
INSTR IR15 IR14 IR13 IR12 IR11 IR10 IR09 IR08 IR07 IR06 IR05 IR04 IR03 IR02 IR01 IR00 AND 0 0 1 1 RD RD 0 0 K K K K K K K K OR 0 0 1 1 RD RD 0 1 K K K K K K K K XOR 0 0 1 1 RD RD 1 0 K K K K K K K K Example : and RD 0x04 Addressing mode : immediate Opcode : 0011 00 RTL : RX <- RX & ( (0)8 || KK ) Flags set : Z,C,O,P,N Description : bitwise AND of immediate 8bit values and low byte of register Example : or RD 0x04 Addressing mode : immediate Opcode : 0011 01 RTL : RX <- RX | ( (0)8 || KK ) Flags set : None Note : bitwise OR of immediate 8bit values and low byte of register Example : xor RD 0x04 Addressing mode : immediate Opcode : 0011 10 RTL : RX <- RX ^ ( (0)8 || KK ) Flags set : None Note : bitwise XOR of immediate 8bit values and low byte of register
At this time I have not implemented any changes to the ADD and SUB instructions, as this would need some changes to the ALU's adder/subtractor. However, possible improvements would be to implement an unsigned addition, could also add instructions to include the previous carry flag, to allow the addition of values greater than 16bits i.e. numbers spread across multiple memory locations :
INSTR IR15 IR14 IR13 IR12 IR11 IR10 IR09 IR08 IR07 IR06 IR05 IR04 IR03 IR02 IR01 IR00 ADD 0 0 0 1 RD RD 0 0 K K K K K K K K ADDU 0 0 0 1 RD RD 0 1 K K K K K K K K ADDCY 0 0 0 1 RD RD 1 0 K K K K K K K K SUB 0 0 1 0 RD RD 0 0 K K K K K K K K SUBU 0 0 1 0 RD RD 0 1 K K K K K K K K SUBCY 0 0 1 0 RD RD 1 0 K K K K K K K K Example : add RB 2 Addressing mode : immediate Opcode : 0001 00 RTL : RX <- RX + ( (K7)8 || KK ) Flags set : Z,C,O,P,N Description : signed addition Example : addu RB 2 Addressing mode : immediate Opcode : 0001 01 RTL : RX <- RX + ( 00 || KK ) Flags set : Z,C,O,P,N Description : unsigned addition Example : addcy RB 2 Addressing mode : immediate Opcode : 0001 10 RTL : RX <- RX + ( (K7)8 || KK ) + C Flags set : Z,C,O,P,N Description : signed addition + cary flag Example : sub RB 2 Addressing mode : immediate Opcode : 0010 00 RTL : RX <- RX - ( (K7)8 || KK ) Flags set : Z,C,O,P,N Description : signed subtraction Example : sub RB 2 Addressing mode : immediate Opcode : 0010 01 RTL : RX <- RX + ( 00 || KK ) Flags set : Z,C,O,P,N Description : unsigned subtraction Example : subcy RB 2 Addressing mode : immediate Opcode : 0010 00 RTL : RX <- RX - ( (K7)8 || KK ) - carry flag Flags set : Z,C,O,P,N Description : signed subtraction - carry flag
Note, just to repeat, the above modified ADD and SUB instructions have not been implemented.
Figure 5 : changes to data MUX
To allow the different MOVE instructions to function we need to update the DATA_MUX component shown in figure 5. This multiplexer always did have an unused A-input branch that was included for future addressing mode expansion, which i confess i never got around to adding until now :). Sooo this hardware was removed and the hardware needed for the MOVEH instruction added. The top A-input logic generates sign extended and unsigned immediate values. The bottom A-input logic generates the MOVEH value, writing the immediate value to the high byte of the destination register and zeroing the low byte.
To implement the Boolean logic functions the bitwise_AND component within the ALU is replaced with the Boolean_logic component shown in figure 6. This component simply adds equivalent OR and XOR components in additiona to the existing bitwise AND_16, combined with a MUX to select the desired function, as shown in figure 7. The AND, OR and XOR components are basically the same i.e. a logic gate array, the OR_16 component is shown in figure 8.

Figure 6 : ALU

Figure 7 : Boolean_logic component

Figure 8 : OR logic
The simpleCPU has four JUMP instructions (listed below), one unconditional and three conditional jumps. These use the absolute/direct addressing mode i.e. they contain the 12bit branch target address.
Note, for the simpleCPU i slightly bend the definitions of absolute and direct addressing modes, so that i can differentiation between addresses used in LOAD/STORE instructions and those used in JUMP instructions. If the specified address points to a data value, in the simpleCPU i refer to this as an absolute addressing mode. If the specified address points to an instruction, in the simpleCPU i refer to this as an direct addressing mode. Both absolute/direct addressing modes are addresses, its just that i think its useful to highlight what these instructions are pointing to different "things". For people that don't like this, all i can say is its my processor, so my rules :)
The downside of the implementation in the simpleCPUv1d is that these four JUMP instructions take 4 of the 16 base opcode values, is this a big chunk of opcodes, limiting the processor's istruction-set. Also, to simplify coding we need to increase the number of conditional JUMP instructions, however, there are no spare opcodes to do this :(.INSTR IR15 IR14 IR13 IR12 IR11 IR10 IR09 IR08 IR07 IR06 IR05 IR04 IR03 IR02 IR01 IR00 JUMPU 1 0 0 0 A A A A A A A A A A A A JUMPZ 1 0 0 1 A A A A A A A A A A A A JUMPNZ 1 0 1 0 A A A A A A A A A A A A JUMPC 1 0 1 1 A A A A A A A A A A A A
Sooo, to make some space we can take advantage of the observation that the branch target address distance of a conditional jump is small, we rarely need to branch the full address range, typically we only need to skip forwards or backwards a few instructions i.e. a small relative jump. Therefore, rather than specifying the branch target address as an absolute/direct address we can use a relative address i.e. an +/- offset from the current PC value. Using this approach we now have bit-fields free to define a range of conditional jump instructions:
INSTR IR15 IR14 IR13 IR12 IR11 IR10 IR09 IR08 IR07 IR06 IR05 IR04 IR03 IR02 IR01 IR00
# JUMPU 1 0 0 0 A A A A A A A A A A A A Absolute addressing mode
# JUMPZ 1 0 0 1 0 0 0 R R R R R R R R R Relative addressing mode
# JUMPNZ 1 0 0 1 0 0 1 R R R R R R R R R Relative addressing mode
# JUMPC 1 0 0 1 0 1 0 R R R R R R R R R Relative addressing mode
# JUMPNC 1 0 0 1 0 1 1 R R R R R R R R R Relative addressing mode
# JUMPN 1 0 0 1 1 0 0 R R R R R R R R R Relative addressing mode
# JUMPP 1 0 0 1 1 0 1 R R R R R R R R R Relative addressing mode
Example : jump 200
Addressing mode : direct
Opcode : 1000
RTL : PC <- AAA
Flags set : None
Description : unconditional jump, 12bit absolute address
Example : jumpz 201
Addressing mode : direct
Opcode : 1001
RTL : IF Z=1 THEN PC <- PC + RRR ELSE PC <- PC + 1
Flags set : None
Description : jump if zero conditional jump, signed 9bit relative address, jump if last
arithmetic / logical instruction generated a zero result.
Example : jumpnz 202
Addressing mode : direct
Opcode : 1001
RTL : IF Z=0 THEN PC <- PC + RRR ELSE PC <- PC + 1
Flags set : None
Description : jump if not zero conditional jump, signed 9bit relative address, jump if last
arithmetic / logical instruction did not generate a zero result.
Example : jumpc 203
Addressing mode : direct
Opcode : 1001
RTL : IF Z=1 THEN PC <- PC + RRR ELSE PC <- PC + 1
Flags set : None
Description : jump if carry conditional jump, signed 9bit relative address, jump if last
arithmetic / logical instruction generated a carry.
Example : jumpnc 204
Addressing mode : direct
Opcode : 1001
RTL : IF Z=0 THEN PC <- PC + RRR ELSE PC <- PC + 1
Flags set : None
Description : jump if not carry conditional jump, signed 9bit relative address, jump if last
arithmetic / logical instruction did not generate a carry.
Example : jumpn 205
Addressing mode : direct
Opcode : 1001
RTL : IF Z=1 THEN PC <- PC + RRR ELSE PC <- PC + 1
Flags set : None
Description : jump if negative conditional jump, signed 9bit relative address, jump if last
arithmetic / logical instruction generated a negative result.
Example : jumpp 206
Addressing mode : direct
Opcode : 1001
RTL : IF Z=0 THEN PC <- PC + RRR ELSE PC <- PC + 1
Flags set : None
Description : jump if positive conditional jump, signed 9bit relative address, jump if last
arithmetic / logical instruction generated a positive result.
Unconditional jumps use a 12bit absolute/direct address (AAA) allowing them to traverse the full address range. Conditional jumps use a signed 9bit relative address (RRR) i.e. PC-256 to PC+255.
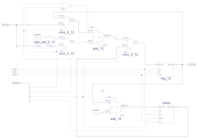
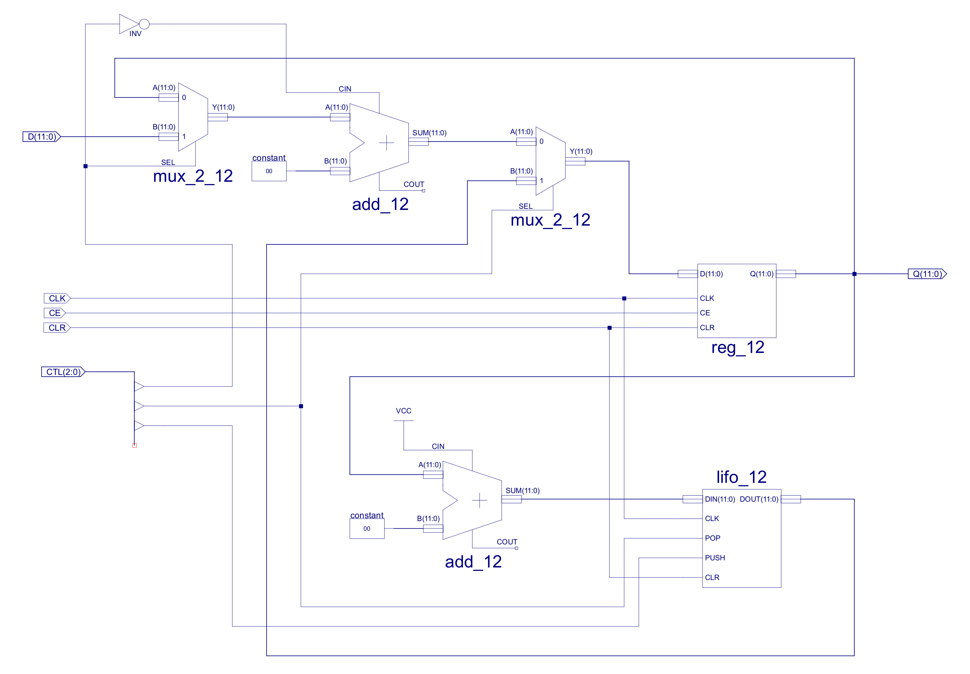
Figure 9 : original PC


Figure 10 : changes to the PC (top), 9-to-12bit sign extender logic (bottom)
To implement the relative addressing mode we need to update the program counter (PC) component, as shown in figures 9 and 10. As you can see i have added a second multiplexer on the B input of the top adder. This allows the control logic to add a sign extended 9bit immediate stored in the JUMP instruction to the PC i.e. the PC can be updated within the range PC-256 to PC+255. These muxs are controlled by control signals CTL3 and CTL0:
CTL3 CTL0 MUX_A_OUT MUX_B_OUT CIN ADDER_OUT 0 0 PC 0 1 PC+1 0 1 ABS 0 0 ABS 1 0 PC REL 0 PC+REL 1 1 ABS REL 0 NOT-USED
The second update to the PC is to the CALL/RET stack. In the original PC the LIFO stack was implemented as a schematic, a register based stack with a depth of 4. However, after using this in a number of different applications i found a call depth of 4 a little limiting, sooo rather than redrawing this component's schematic to increase its depth, i cheated and implemented it using the VHDL shown below, increasing the call depth to 8, which was a lot more usable i.e. when using subroutine it was very easily to miss that you have had exceeded the call depth of 4, that you had overwritten the return addresses. As you can imagine when this did occur you would observe very "interesting" behaviours. Note, moving to a call depth of 8 does not remove this issue, just makes its less likely, sooo always keep an eye on what subroutines are calling other subroutines :).
library IEEE;
use IEEE.STD_LOGIC_1164.all;
use IEEE.STD_LOGIC_UNSIGNED.all;
use IEEE.Numeric_Std.all;
entity stack is
port(
clk : in std_logic;
clr : in std_logic;
pop : in std_logic;
push : in std_logic;
din : in std_logic_vector(11 downto 0);
dout : out std_logic_vector(11 downto 0));
end stack;
architecture stack_arch of stack is
signal count : std_logic_vector(2 downto 0);
signal count_dec : std_logic_vector(2 downto 0);
type ram_type is array (7 downto 0) of std_logic_vector(11 downto 0);
signal RAM : ram_type;
begin
counter : process( clk, clr )
begin
if clr = '1'
then
count <= (others=>'0');
elsif clk'event and clk='1'
then
if push = '1'
then
count <= count + 1;
elsif pop = '1'
then
count <= count - 1;
end if;
end if;
end process;
decrement : process( clk )
begin
if clk'event and clk='1'
then
count_dec <= count - 1;
end if;
end process;
ram_wr : process( clk )
begin
if clk'event and clk='1'
then
if push = '1'
then
RAM(to_integer(unsigned(count))) <= din;
end if;
end if;
end process;
dout <= RAM(to_integer(unsigned(count_dec)));
end stack_arch;
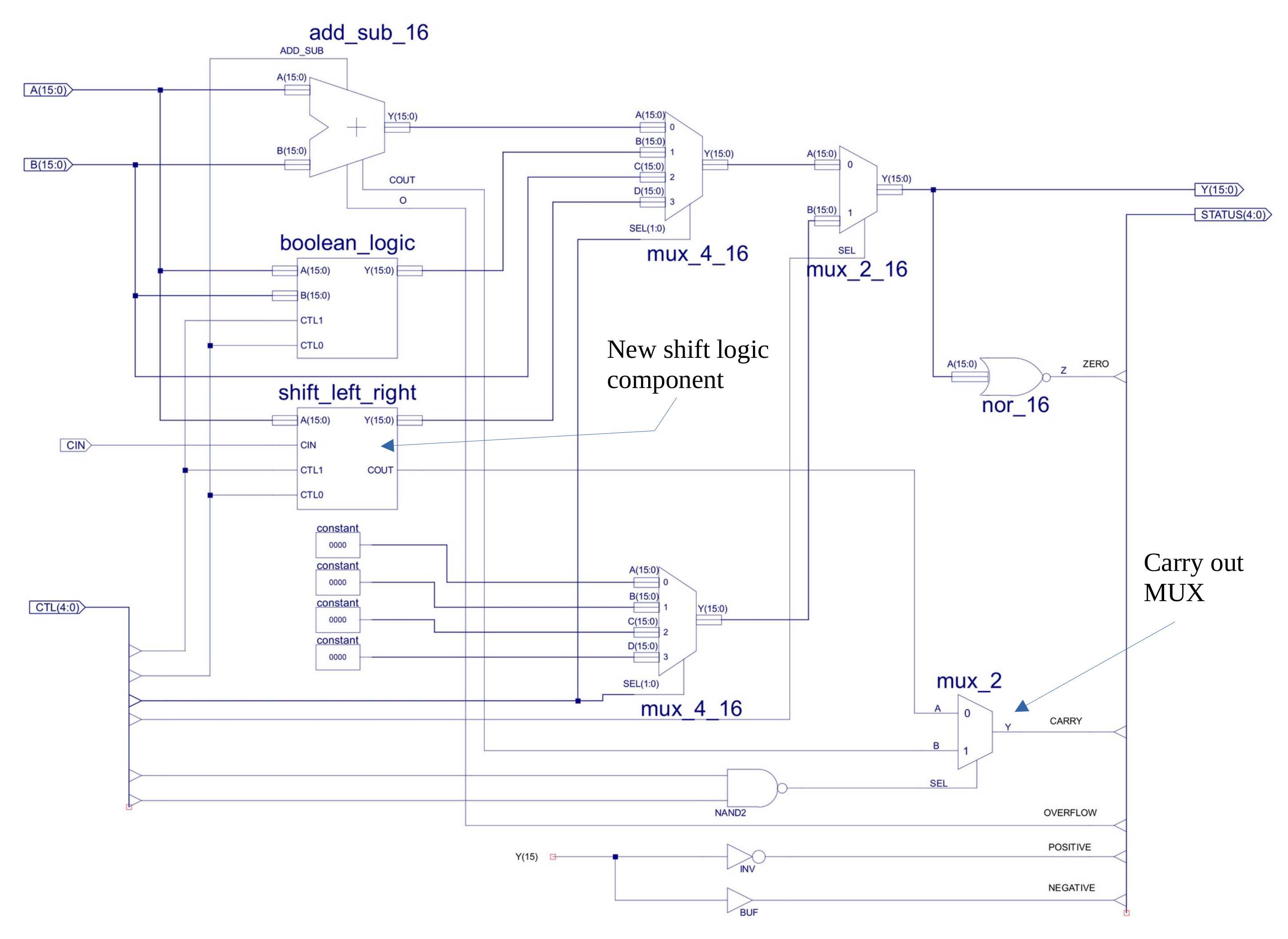
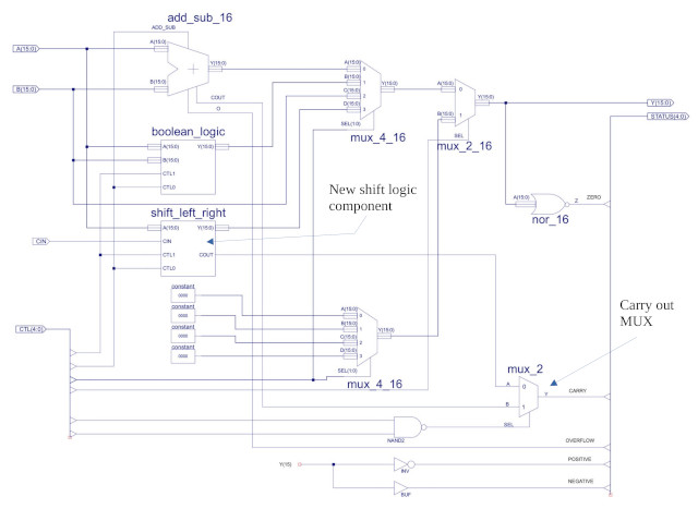
Figure 11 : shift logic
Figure 12 : ALU
The logic to implement the shift left / right function is simply buffers i.e. wires, implementing a fixed shift. To fill the bubble, multiplexers are used to select between a fixed 0 for ASL and ASR, and the carry flag (C) for SHR and SHL, as shown in figure 11. Two output multiplexers are then used to select between the shift left and shift right buffer arrays. The ALU now also needs an extra MUX to select the carry out source i.e. from the shift logic, or the adder/subtractor, as shown in figure 12.
INSTR IR15 IR14 IR13 IR12 IR11 IR10 IR09 IR08 IR07 IR06 IR05 IR04 IR03 IR02 IR01 IR00 SHL 1 1 1 1 RSD RSD X X X X X 0 0 1 0 0 SHR 1 1 1 1 RSD RSD X X X X X 0 0 1 0 1 ASL 1 1 1 1 RSD RSD X X X X X 0 1 0 1 1 ASR 1 1 1 1 RSD RSD X X X X X 0 1 1 0 0 Example : asl RB Addressing mode : register Opcode : 1111 00100 RTL : RX <- RX(14:0) || 0 Flags set : Z,C,O,P,N Description : shift left, insert 0 into LSB Example : asr RB Addressing mode : register Opcode : 1111 00100 RTL : RX <- 0 || RX(15:1) Flags set : Z,C,O,P,N Description : shift right, insert 0 into MSB Example : shl RB Addressing mode : register Opcode : 1111 00100 RTL : RX <- RX(14:0) || 0 Flags set : Z,C,O,P,N Description : shift left, insert carry flag (C) into LSB Example : shr RB Addressing mode : register Opcode : 1111 00100 RTL : RX <- 0 || RX(15:1) Flags set : Z,C,O,P,N Description : shift right, insert carry flag (C) into MSB
Compare (CMP) and Test instructions, these instructions are used to test the state of a register without changing its value. The CMP instruction performs a subtract operation i.e. register - immediate, however the register is not updated with the result, only the status register is updated. Therefore, in a program this can be used with a conditional JUMP instruction to test the outcome of this subtraction e.g. if the Z flag is set then the register equals the immediate value. The advantage of using the CMP instruction rather than a SUB instruction is that the original value is not lost i.e. when do not have to add additional instructions to buffer this value so that it can be restored after the SUB instruction is performed. The TEST instruction is the same but performs a bitwise AND operation, allowing the programmer to test if specific bits are set within a register. Note, no new hardware needs to be added to the processor to implement these new instructions, they are simply the SUB and AND instructions with the register file's write-enable disabled.
INSTR IR15 IR14 IR13 IR12 IR11 IR10 IR09 IR08 IR07 IR06 IR05 IR04 IR03 IR02 IR01 IR00 CMP 1 0 1 0 RD RD 0 0 K K K K K K K K TEST 1 0 1 0 RD RD 0 1 K K K K K K K K Example : cmp RB 2 Addressing mode : immediate Opcode : 1010 00 RTL : RX - ( (K7)8 || KK ) Flags set : Z,C,O,P,N Description : signed subtraction, register is not updated, flags are. Example : test RB 2 Addressing mode : immediate Opcode : 1010 00 RTL : RX & ( (0)8 || KK ) Flags set : Z,C,O,P,N Description : bitwise AND, register is not updated, flags are.
Figure 13 : simulation waveform
As always it easy to design new hardware, the hard part is getting it to work :). To test out these new instructions i wrote this test code. At this time it seems to be working correctly, fingers crossed :). Note, the NOT_IMPLEMENTED instructions are for the students to add during the assessment, i have tested the processor with my implementations, but these are not available for download :).
###############################
# SIMPLECPU V1d2 TEST PROGRAM #
###############################
###################
# INSTRUCTION-SET #
###################
# INSTR IR15 IR14 IR13 IR12 IR11 IR10 IR09 IR08 IR07 IR06 IR05 IR04 IR03 IR02 IR01 IR00
# MOVE 0 0 0 0 RD RD 0 0 K K K K K K K K
# MOVEL 0 0 0 0 RD RD 0 0 K K K K K K K K
# MOVEH 0 0 0 0 RD RD 0 1 K K K K K K K K
# MOVEU 0 0 0 0 RD RD 1 0 K K K K K K K K
# ADD 0 0 0 1 RD RD X X K K K K K K K K
# SUB 0 0 1 0 RD RD X X K K K K K K K K
# AND 0 0 1 1 RD RD 0 0 K K K K K K K K
# OR 0 0 1 1 RD RD 0 1 K K K K K K K K
# XOR 0 0 1 1 RD RD 1 0 K K K K K K K K
# LOAD 0 1 0 0 A A A A A A A A A A A A
# STORE 0 1 0 1 A A A A A A A A A A A A
# ADDM 0 1 1 0 A A A A A A A A A A A A
# SUBM 0 1 1 1 A A A A A A A A A A A A
# JUMPU 1 0 0 0 A A A A A A A A A A A A
# JUMPZ 1 0 0 1 0 0 0 A A A A A A A A A -- RELATIVE -256 to +255
# JUMPNZ 1 0 0 1 0 0 1 A A A A A A A A A
# JUMPC 1 0 0 1 0 1 0 A A A A A A A A A
# JUMPNC 1 0 0 1 0 1 1 A A A A A A A A A
# JUMPN 1 0 0 1 1 0 0 A A A A A A A A A
# JUMPP 1 0 0 1 1 0 1 A A A A A A A A A
# CMP 1 0 1 0 RD RD 0 0 K K K K K K K K
# TEST 1 0 1 0 RD RD 0 1 K K K K K K K K
# XOP1 1 0 1 1 RD RD X X K K K K K K K K -- NOT IMPLEMENTED
# XOP2 1 1 0 0 RD RD X X K K K K K K K K -- NOT IMPLEMENTED
# XOP3 1 1 0 1 RD RD X X K K K K K K K K -- NOT IMPLEMENTED
# CALL 1 1 1 0 A A A A A A A A A A A A
# RET 1 1 1 1 X X X X X X X 0 0 0 0 0
# MOVE 1 1 1 1 RD RD RS RS X X X 0 0 0 0 1
# LOAD 1 1 1 1 RD RD RS RS X X X 0 0 0 1 0 -- REG INDIRECT
# STORE 1 1 1 1 RD RD RS RS X X X 0 0 0 1 1 -- REG INDIRECT
# SHL 1 1 1 1 RSD RSD X X X X X 0 0 1 0 0
# SHR 1 1 1 1 RSD RSD X X X X X 0 0 1 0 1
# ADD 1 1 1 1 RD RD RS RS X X X 0 0 1 1 0 -- NOT IMPLEMENTED
# SUB 1 1 1 1 RD RD RS RS X X X 0 0 1 1 1 -- NOT IMPLEMENTED
# AND 1 1 1 1 RD RD RS RS X X X 0 1 0 0 0 -- NOT IMPLEMENTED
# OR 1 1 1 1 RD RD RS RS X X X 0 1 0 0 1 -- NOT IMPLEMENTED
# XOR 1 1 1 1 RD RD RS RS X X X 0 1 0 1 0 -- NOT IMPLEMENTED
# ASL 1 1 1 1 RD RD RS RS X X X 0 1 0 1 1
# ASR 1 1 1 1 RD RD RS RS X X X 0 1 1 0 0
# XOP4 1 1 1 1 RD RD RS RS X X X 0 1 1 0 1 -- NOT IMPLEMENTED
# XOP5 1 1 1 1 RD RD RS RS X X X 0 1 1 1 0 -- NOT IMPLEMENTED
# XOP6 1 1 1 1 RD RD RS RS X X X 0 1 1 1 1 -- NOT IMPLEMENTED
# XOP7 1 1 1 1 RD RD RS RS X X X 1 0 0 0 0 -- NOT IMPLEMENTED
# XOP8 1 1 1 1 RD RD RS RS X X X 1 0 0 0 1 -- NOT IMPLEMENTED
# XOP9 1 1 1 1 RD RD RS RS X X X 1 0 0 1 0 -- NOT IMPLEMENTED
start:
move RA 0x01 # RA = 0x0001
move RB 0x01 # RB = 0x0001
move RC 0x01 # RC = 0x0001
move RD 0x01 # RD = 0x0001
move RA 0x80 # RA = 0xFF80
move RB 0x80 # RB = 0xFF80
move RC 0x80 # RC = 0xFF80
move RD 0x80 # RD = 0xFF80
movel RA 0x01 # RA = 0x0001
movel RB 0x01 # RB = 0x0001
movel RC 0x01 # RC = 0x0001
movel RD 0x01 # RD = 0x0001
movel RA 0x80 # RA = 0xFF80
movel RB 0x80 # RB = 0xFF80
movel RC 0x80 # RC = 0xFF80
movel RD 0x80 # RD = 0xFF80
moveh RA 0x01 # RA = 0x0100
moveh RB 0x01 # RB = 0x0100
moveh RC 0x01 # RC = 0x0100
moveh RD 0x01 # RD = 0x0100
moveh RA 0x80 # RA = 0x8000
moveh RB 0x80 # RB = 0x8000
moveh RC 0x80 # RC = 0x8000
moveh RD 0x80 # RD = 0x8000
moveu RA 0x01 # RA = 0x0001
moveu RB 0x01 # RB = 0x0001
moveu RC 0x01 # RC = 0x0001
moveu RD 0x01 # RD = 0x0001
moveu RA 0x80 # RA = 0x0080
moveu RB 0x80 # RB = 0x0080
moveu RC 0x80 # RC = 0x0080
moveu RD 0x80 # RD = 0x0080
add RA 0x01 # RA = 0x0081
add RB 0x01 # RB = 0x0081
add RC 0x01 # RC = 0x0081
add RD 0x01 # RD = 0x0081
sub RA 0x01 # RA = 0x0080
sub RB 0x01 # RB = 0x0080
sub RC 0x01 # RC = 0x0080
sub RD 0x01 # RD = 0x0080
move RA 0xFF # RA = 0xFFFF
move RB 0xFF # RB = 0xFFFF
move RC 0xFF # RC = 0xFFFF
move RD 0xFF # RD = 0xFFFF
and RA 0x55 # RA = 0x0055
and RB 0x55 # RB = 0x0055
and RC 0x55 # RC = 0x0055
and RD 0x55 # RD = 0x0055
or RA 0xAA # RA = 0x00FF
or RB 0xAA # RB = 0x00FF
or RC 0xAA # RC = 0x00FF
or RD 0xAA # RD = 0x00FF
xor RA 0xCC # RA = 0x0033
xor RB 0xCC # RB = 0x0033
xor RC 0xCC # RC = 0x0033
xor RD 0xCC # RD = 0x0033
addm RA one # RA = 0x0034
subm RA one # RA = 0x0033
# store RA to memory data 0-9
store RA data0 # RA = 0x0033
addm RA one # RA = 0x0034
store RA data1
addm RA one # RA = 0x0035
store RA data2
addm RA one # RA = 0x0036
store RA data3
addm RA one # RA = 0x0037
store RA data4
addm RA one # RA = 0x0038
store RA data5
addm RA one # RA = 0x0039
store RA data6
addm RA one # RA = 0x003A
store RA data7
addm RA one # RA = 0x003B
store RA data8
addm RA one # RA = 0x003C
store RA data9
addm RA one # RA = 0x003D
# load memory data 0-9
load RA data0 # RA = 0x0033
load RA data1 # RA = 0x0034
load RA data2 # RA = 0x0035
load RA data3 # RA = 0x0036
load RA data4 # RA = 0x0037
load RA data5 # RA = 0x0038
load RA data6 # RA = 0x0039
load RA data7 # RA = 0x003A
load RA data8 # RA = 0x003B
load RA data9 # RA = 0x003C
move RA 0xFF # RA = 0xFFFF
move RB 0xFF # RB = 0xFFFF
move RC 0xFF # RC = 0xFFFF
move RD 0xFF # RD = 0xFFFF
asl RA # RA = 0xFFFE 1111 1111 1111 1110
shl RA # RA = 0xFFFD 1111 1111 1111 1101
asl RB # RB = 0xFFFE
shl RB # RB = 0xFFFD
asl RC # RC = 0xFFFE
shl RC # RC = 0xFFFD
asl RD # RD = 0xFFFE
shl RD # RD = 0xFFFD
asr RA # RA = 0x7FFE 0111 1111 1111 1110
shr RA # RA = 0xBFFF 1011 1111 1111 1111
asr RB # RB = 0x7FFE
shr RB # RB = 0xBFFF
asr RC # RC = 0x7FFF
shr RC # RC = 0xBFFF
asr RD # RD = 0x7FFF
shr RD # RD = 0xBFFF
move RA 0x00 # RA = 0x0000
move RB 0x00 # RB = 0x0000
move RC 0x00 # RC = 0x0000
move RD 0x00 # RD = 0x0000
move RD 48 # walk a 1 through RA, RB and RC
move RA 1 # RD is loop counter
loop:
asl RA
shl RB
shl RC
sub RD 1
jumpnz loop
move RB 0x00 # compare RA to 5
move RA 5 # RB 0=OK, 1=ERROR
cmp RA 5
jumpz cmp_eq # is RA = 5
move RB 0xFF
cmp_eq:
cmp RA 10 # is RA = 10
jumpz cmp_neq
jump next
cmp_neq:
move RB 0xFF
next:
test RA 1 # is RA(0) 1?
jumpnz test_eq
move RB 0xFF
test_eq:
test RA 2 # is RA(1) 1?
jumpz test_neq
jump next1
test_neq:
move RB 0xFF
next1:
call subA # test nested subroutines
move RA 16 # call depth 8, if working correctly the value
# 1 to 15 should be stored in register RA
trap:
jump trap # finish
subA:
move RA 1 # subroutine A
call subB
move RA 15
ret
subB:
move RA 2 # subroutine B
call subC
move RA 14
ret
subC:
move RA 3 # subroutine C
call subD
move RA 13
ret
subD:
move RA 4 # subroutine D
call subE
move RA 12
ret
subE:
move RA 5 # subroutine E
call subF
move RA 11
ret
subF:
move RA 6 # subroutine F
call subG
move RA 10
ret
subG:
move RA 7 # subroutine G
call subH
move RA 9
ret
subH:
move RA 8 # subroutine H
ret
one:
.data 1
data0:
.data 0
data1:
.data 0
data2:
.data 0
data3:
.data 0
data4:
.data 0
data5:
.data 0
data6:
.data 0
data7:
.data 0
data8:
.data 0
data9:
.data 0
WORK IN PROGRESS
This work is licensed under a Creative Commons Attribution-NonCommercial-NoDerivatives 4.0 International License.
Contact email: mike@simplecpudesign.com